戰火越燒越旺的晶振與通信通信市場
來源:http://www.malatabj.com 作者:jinluodz 2013年07月16

隨著智能手機的普遍使用,移動通信市場是一片火熱,許多制造商盈利矛頭便指向于移動設備市場。最近一款泛濫的手機軟件,更是將消費者推上了熱潮-美團,我們不需要在出門直接手機動一動就知道哪里有最優惠的食物和娛樂休閑之地。移動通信市場的發展是離不開晶振的,它們兩者就好像于食物鏈一般,缺其而不可。晶振又故名晶體振蕩器,然而晶體振蕩器的發展趨勢偏向于小型化、精度高、頻率穩定性好。
我們都知道晶振的頻率一般有兩大類,KHZ(千赫)和MHZ(兆赫)。32.768KHZ是千赫晶振中最突出的一款晶體,它為數字電路板的中不可缺少的部件,甚至有人將它比喻為電路板的心跳發生器,換句話說就是心跳停止跳動,那么電路板也無法繼續進行穩定的工作了。32.768K晶振也劃分于貼片晶振和插件晶振,插件封裝中最為突出的為3*8和2*6體積。無論是什么衣服或食品等等,都有著品牌效應的影響,由于產品的要求,客戶會選擇進口晶振品牌。電子元器件行業中家喻戶曉的晶振品牌名品,西鐵城晶振、愛普生晶振、精工晶振、大真空晶振、村田晶振。
時鐘電路中用到的32.768K晶振,C-002RX晶振是愛普生最受歡迎的一款圓柱音叉晶振,它的體積為2*6。此外,日本KDS品牌中DT-26晶振和西鐵城CFS-206晶振,VT-200-F晶振,是可以互相替代的,他們四者同體積同參數。3*8晶振體積系列中,C-001R、CFS-308、DT-38三款則是一般模樣,同樣可替代使用。

因此說道的四款型號晶振都是可相互替換使用的,除非是客戶比較鐘愛于某一個品牌,或者是公司有特定的要求必須要使用某個品牌時,那就沒辦法。2*6晶振具備的優良特性是:1、具有超小型、薄型、質地輕的音叉圓柱石英晶振,使焊接更為方便而簡單。2、具備優良的耐熱性、耐環境特性。3、金屬外殼的使用時的電子產品在封裝時能發揮比陶瓷外殼更好的耐沖擊性。體積做為比較,2*6晶振由于體積微小,比較受廣大消費者的愛戴,當然后同此比較下來,體積更小的都有,只是價格相對昂貴,因為體積小就意味著占用空間小。
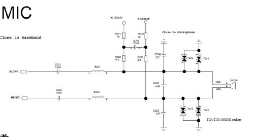
通信設備中,最常規用到的晶振品牌指向于EPSON愛普生。普生香港有限公司(EPSON Hong Kong Ltd.)電子器件部石英器件分部經理Takehiko Hayashi介紹說:“去年賣得最好的石英產品包括MC-146、MC-156、MC-206、MC-306。手機晶振32.768KHZ原參數手機里6229也使用的是32.768KHZ的晶振產生時序電路基準信號。32.768kHz是RTC(實時時鐘)晶振,用32.768是因為32768是2的15次冪,可以很方便的分頻,很精確的得到一秒的計時。所有的RTC晶振一般都是32.768或是其倍頻。在手機電路中還有一主時鐘,一般為13MHz或是其倍頻。之所以選用13M這樣的時鐘是為了與基站同步,下列是手機晶振的原理圖。
.jpg)
當前石英晶體振蕩器的發展,一方面表現為系列品種的增加和市場需求量的增長.一方面,以移動電話為代表的通信產品及便攜式產品反過來也對晶振的技術創新提出更高要求,求的增長還在反作用于晶振產品的發展。
正在載入評論數據...
相關資訊
- [2025-08-29]CTS致力于成為技術的前沿提供創...
- [2025-08-29]Diodes宣布推出一款智能48通道L...
- [2025-08-25]Rakon瑞康為什么應該放棄標準CO...
- [2025-08-25]Transko特蘭斯科推出了結合MEMS...
- [2025-08-23]SiT5503超精密溫度補償晶體振蕩...
- [2025-08-23]探索SiTime專為導航航空航天和國...
- [2024-04-11]CTECH濾波器型號數據列表CLB75P...
- [2024-03-18]Statek晶振產品應用CX20SCSM1-1...


業務經理
客服經理